07 дек 2014, 13:01
Решил сделать проводку для БК, т.к. все есть кроме проводки и реле сигнализации с сигналом.
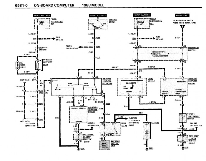
Нашел все необходимые разъемы:
1) разъем в БК
2) разъем в приборку
3) два разъема на гонг
4) разъем на провод к температурному датчику
5) два разъема в блок реле сигнализации
6) вроде еще есть разъемы но я не знаю что за они
так вот не знаю что и куда должно идти может у кого есть такая проводка и может подсказать, по электронной схеме разобраться так и смог(((
Пронумеровал для себя пины чтоб легче было разобраться:
Разъем БК B1-B26
Разъем приборки P1-P26
Разъем на гонг верхний G1, G2
Разъем на гонг нижний G3, G4,G5
Разъем на проводку температурного датчика Т1, T2
Разъем на блок реле сигнализации верхний R1, R2,R3,R4
Разъем на блок реле сигнализации нижний R5, R6,R7,R8
Нашел все необходимые разъемы:
1) разъем в БК
2) разъем в приборку
3) два разъема на гонг
4) разъем на провод к температурному датчику
5) два разъема в блок реле сигнализации
6) вроде еще есть разъемы но я не знаю что за они
так вот не знаю что и куда должно идти может у кого есть такая проводка и может подсказать, по электронной схеме разобраться так и смог(((
Пронумеровал для себя пины чтоб легче было разобраться:
Разъем БК B1-B26
Разъем приборки P1-P26
Разъем на гонг верхний G1, G2
Разъем на гонг нижний G3, G4,G5
Разъем на проводку температурного датчика Т1, T2
Разъем на блок реле сигнализации верхний R1, R2,R3,R4
Разъем на блок реле сигнализации нижний R5, R6,R7,R8
Последний раз редактировалось Olegas 07 дек 2014, 14:05, всего редактировалось 1 раз.
Bmw e28 m20b20 motronic


и добав схему в тему по которой ты не смог разобратся


